K80-25-A82-S benz

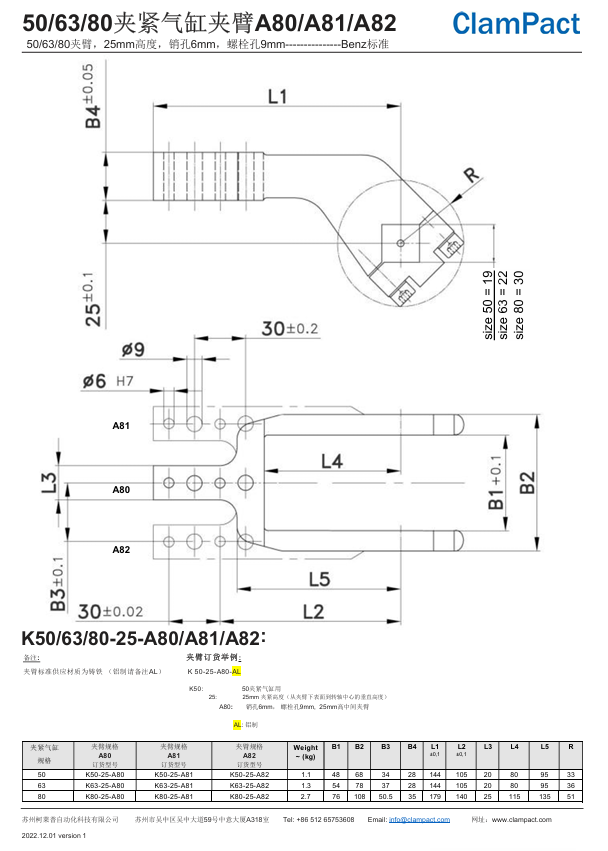
Suitable for 80mm Clamp, Standard hole(6mm for pin, 9mm for screw), 25mm offset, left arm.

Material: Steel for standard(Add -S, order code: K80-25-A82-S). Aluminum as option.(Add -AL, order code: K80-25-A82-AL)

Benz Standard.


Information Technical Download

80夹紧气缸用,奔驰BENZ标准左夹臂。可以配套多个品牌的80夹紧气缸。

Suitable for 80mm clamp,Benz standard. Can be used for several brand 80mm clamp.

Dedicated to automotive white body welding equipment
189-9439-0566/130-6387-2068
Room A318, Zhongyi Building, No. 59 Wuzhong Avenue, Suzhou    info@clampact.com