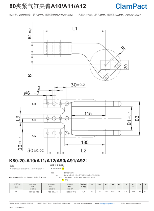
K80-20-A10

80夹紧气缸用,标准孔夹臂(销孔6mm,螺丝孔9mm),20mm offset,中间夹臂。

材质:标准铁质(后缀加-S, 订货型号:K80-20-A10-S)。 铝制可选(后缀加-AL,订货型号:K80-20-A10-AL)。

Information Technical Download

80夹紧气缸用,通用型DIN标准夹臂。常规标准。可以配套多个品牌的80夹紧气缸。

Previous:K63-45-A45-S
Dedicated to automotive white body welding equipment
189-9439-0566/130-6387-2068
Room A318, Zhongyi Building, No. 59 Wuzhong Avenue, Suzhou    info@clampact.com