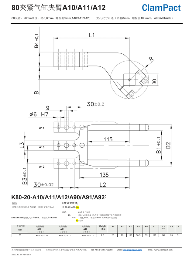
K80-20-A90-S

Suitable for 80mm Clamp, Big hole(8mm for pin, 10.2mm for screw), 20mm offset, center arm.

Material: Steel for standard(Add -S, order code: K80-20-A90-S). Aluminum as option.(Add -AL, order code: K80-20-A90-AL)

BYD Standard.

Information Technical Download

80夹紧气缸用,通用型DIN标准夹臂。BYD标准。可以配套多个品牌的80夹紧气缸。

Suitable for 80mm clamp, DIN standard,BYD standard. Can be used for several brand 80mm clamp

Previous:K80-20-A12-S
Dedicated to automotive white body welding equipment
189-9439-0566/130-6387-2068
Room A318, Zhongyi Building, No. 59 Wuzhong Avenue, Suzhou    info@clampact.com