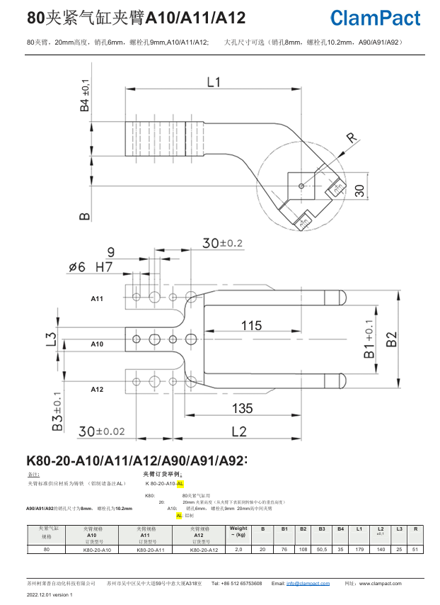
K80-20-A12-S

Suitable for 80mm Clamp, standard hole(6mm for pin, 9mm for screw), 20mm offset, left arm.

Material: Steel for standard(Add -S, order code: K80-20-A12-S). Aluminum as option.(Add -AL, order code: K80-20-A12-AL)

Information Technical Download

80夹紧气缸用,通用型DIN标准夹臂。常规标准。可以配套多个品牌的80夹紧气缸。

Suitable for 80mm clamp, DIN standard. Can be used for several brand 80mm clamp

Previous:K80-20-A11-S
Dedicated to automotive white body welding equipment
189-9439-0566/130-6387-2068
Room A318, Zhongyi Building, No. 59 Wuzhong Avenue, Suzhou    info@clampact.com